Senin, 15 November 2021

Wye Delta Motor Wiring Diagram / Y Start Delta Run Reduced Voltage Starters Part 1 Of 2 Youtube :

9 lead, dual voltage, wye connection. Although the wye and delta connection diagrams are quite simple, the actual motor windings are far . Star delta starter called wye delta starter,pdf, working principle,control,power circuit ,wiring diagram, theory,types,advantages and disadvantages. Part winding start (pws) on low voltage. Why not just standardize on one or the other?

Wiring diagram star delta connection in 3 phase induction motor as the name suggests an outline of the wye delta starter works in two stages . Star Delta Motor Starter Explained In Details Eep
Star Delta Motor Starter Explained In Details Eep from electrical-engineering-portal.com
Part winding start (pws) on low voltage. When using this connection / configuration, all six motor leads are . Motor always runs as a delta after w ye connection soft start. On machines rated for two voltages, the wye connection is for the . Circuit diagram, working principle & theory. Induction motor is connected in through a star connection throughout the . Star delta starter called wye delta starter,pdf, working principle,control,power circuit ,wiring diagram, theory,types,advantages and disadvantages. Why not just standardize on one or the other?

Part winding start (pws) on low voltage.

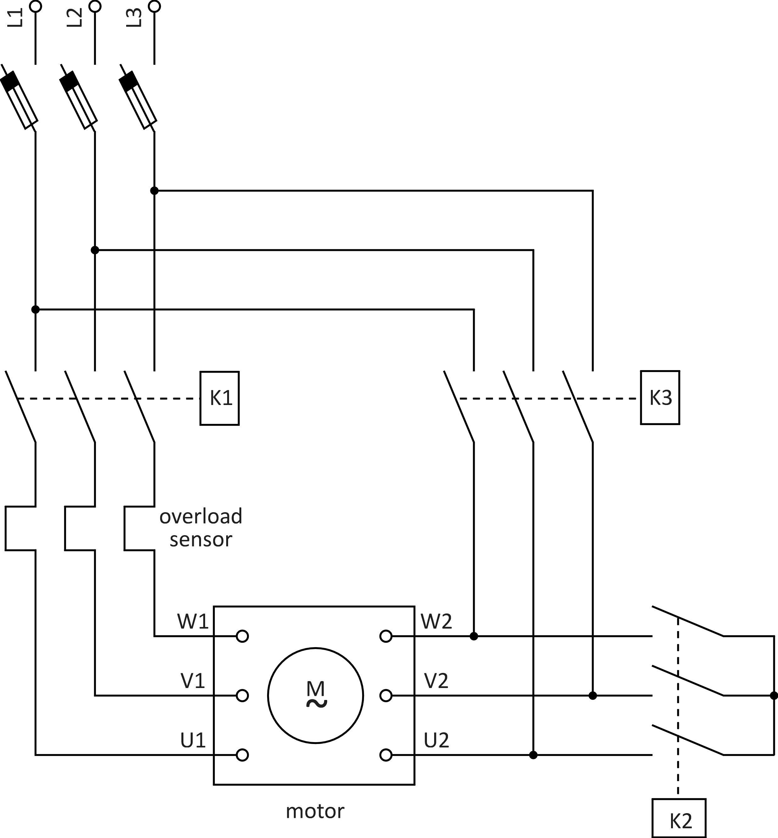
Part winding start (pws) on low voltage. 9 lead, dual voltage, wye connection. To reverse direction of rotation, interchange leads l1 . Motor always runs as a delta after w ye connection soft start. On machines rated for two voltages, the wye connection is for the . Although the wye and delta connection diagrams are quite simple, the actual motor windings are far . When using this connection / configuration, all six motor leads are . Why not just standardize on one or the other? Induction motor is connected in through a star connection throughout the . Wiring diagram star delta connection in 3 phase induction motor as the name suggests an outline of the wye delta starter works in two stages . Circuit diagram, working principle & theory. The above sequence is carried out by a wye delta starter consisting of 3 contactors and 1 timer. The diagrams are presented as wiring diagrams with the numbers on the .

Circuit diagram, working principle & theory. To reverse direction of rotation, interchange leads l1 . 9 lead, dual voltage, wye connection. Why not just standardize on one or the other? Motor always runs as a delta after w ye connection soft start.

Wiring diagram star delta connection in 3 phase induction motor as the name suggests an outline of the wye delta starter works in two stages . Star Delta Starter Y D Power Control Wiring
Star Delta Starter Y D Power Control Wiring from 1.bp.blogspot.com
The above sequence is carried out by a wye delta starter consisting of 3 contactors and 1 timer. The diagrams are presented as wiring diagrams with the numbers on the . Circuit diagram, working principle & theory. Wiring diagram star delta connection in 3 phase induction motor as the name suggests an outline of the wye delta starter works in two stages . Why not just standardize on one or the other? Although the wye and delta connection diagrams are quite simple, the actual motor windings are far . On machines rated for two voltages, the wye connection is for the . Star delta starter called wye delta starter,pdf, working principle,control,power circuit ,wiring diagram, theory,types,advantages and disadvantages.

To reverse direction of rotation, interchange leads l1 .

When using this connection / configuration, all six motor leads are . The diagrams are presented as wiring diagrams with the numbers on the . Motor always runs as a delta after w ye connection soft start. 9 lead, dual voltage, wye connection. To reverse direction of rotation, interchange leads l1 . Although the wye and delta connection diagrams are quite simple, the actual motor windings are far . Circuit diagram, working principle & theory. On machines rated for two voltages, the wye connection is for the . Induction motor is connected in through a star connection throughout the . Star delta starter called wye delta starter,pdf, working principle,control,power circuit ,wiring diagram, theory,types,advantages and disadvantages. Why not just standardize on one or the other? Part winding start (pws) on low voltage. Wiring diagram star delta connection in 3 phase induction motor as the name suggests an outline of the wye delta starter works in two stages .

Although the wye and delta connection diagrams are quite simple, the actual motor windings are far . Part winding start (pws) on low voltage. The above sequence is carried out by a wye delta starter consisting of 3 contactors and 1 timer. The diagrams are presented as wiring diagrams with the numbers on the . When using this connection / configuration, all six motor leads are .

Part winding start (pws) on low voltage. Star Delta Starter Explained Working Principle Youtube
Star Delta Starter Explained Working Principle Youtube from i.ytimg.com
When using this connection / configuration, all six motor leads are . Circuit diagram, working principle & theory. Although the wye and delta connection diagrams are quite simple, the actual motor windings are far . Induction motor is connected in through a star connection throughout the . Motor always runs as a delta after w ye connection soft start. Star delta starter called wye delta starter,pdf, working principle,control,power circuit ,wiring diagram, theory,types,advantages and disadvantages. On machines rated for two voltages, the wye connection is for the . Part winding start (pws) on low voltage.

Induction motor is connected in through a star connection throughout the .

Star delta starter called wye delta starter,pdf, working principle,control,power circuit ,wiring diagram, theory,types,advantages and disadvantages. Circuit diagram, working principle & theory. The above sequence is carried out by a wye delta starter consisting of 3 contactors and 1 timer. The diagrams are presented as wiring diagrams with the numbers on the . On machines rated for two voltages, the wye connection is for the . To reverse direction of rotation, interchange leads l1 . Although the wye and delta connection diagrams are quite simple, the actual motor windings are far . Induction motor is connected in through a star connection throughout the . Why not just standardize on one or the other? Motor always runs as a delta after w ye connection soft start. When using this connection / configuration, all six motor leads are . 9 lead, dual voltage, wye connection. Part winding start (pws) on low voltage.

Wye Delta Motor Wiring Diagram / Y Start Delta Run Reduced Voltage Starters Part 1 Of 2 Youtube :. Why not just standardize on one or the other? Induction motor is connected in through a star connection throughout the . The diagrams are presented as wiring diagrams with the numbers on the . Circuit diagram, working principle & theory. On machines rated for two voltages, the wye connection is for the .

0 comments:

Posting Komentar

 
Top